KATALOG PRODUKTÓW PIPELIFE

Katalog Instalacje System do wody użytkowej i ogrzewania Radopress Kształtki zaciskowe Kolano zaciskowe z gwintem zewnętrznym Kolano zaciskowe z gwintem zewnętrznym

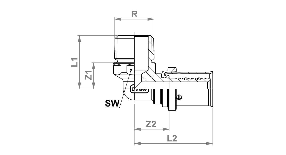
Kolano zaciskowe z gwintem zewnętrznym

EAN 9010459466433
Indeks 1533000169
CN2020 39174000

Kolano z gwintem zewnętrznym dla rur Radopress.

Zamów ten produkt przez eOrder

  • ..